6.3 重力循环热水供暖系统
6.3.1 农村居住建筑内安装的散热器热水供暖系统通常都采用重力循环方式,重力循环热水供暖系统的作用压力由两部分构成,一是供暖炉加热中心和散热器散热中心的高度差内供回水立管中水温不同产生的作用压力;二是由于水在管道中沿途冷却引起水的密度增大而产生的附加压力。重力循环热水供暖系统的作用压力越大,系统循环越有利。在供回水密度一定的条件下,散热器散热中心与供暖炉加热中心的高差越大,系统的重力循环作用压力就越大;供水干管与供暖炉中心的垂直距离越大,管道散热及水温的沿途改变所引起的附加压力也越大。
重力循环系统运行时除耗煤等燃料外,不需要其他的运行费用,节能、安全、运行可靠。考虑到以上因素,农村居住建筑中设置的热水供暖系统应尽可能利用重力循环方式。
在一些大户型的单层农村居住建筑中,供暖面积大,散热器数量多,管路长,系统阻力大。由于供暖炉和散热器的安装位置和高差受限,重力循环作用压力无法克服系统循环阻力时,可考虑增加循环水泵,提供系统循环动力。但水泵应经过设计计算后选择。
6.3.2 考虑到农村居住建筑重力循环热水供暖系统的作用压力小,管路越短,阻力损失越小,对循环有利,因此宜选择异程式管路系统形式,即离供暖炉近的房间散热器的循环环路短,离供暖炉远的房间散热器的循环环路长。农村居住建筑内供暖房间较少,系统循环环路较少,可通过提高远处散热器组的安装高度来增大远处立管环路的重力循环作用压力,适当增加远处立管环路的管径来减少远处立管环路的阻力,并在近处立管的散热器支管上安装阀门,增加近处立管环路的阻力损失等措施使异程式系统造成的水平失调降低到最小。
对于单层农村居住建筑,由于安装条件所限,散热器和供暖炉中心高度差较小,作用压力有限,如采用水平单管式系统,整个供暖系统只有一个环路,热水流过管路和散热器的阻力较大,系统循环不利;采用水平双管式系统时,距离供暖炉近的环路短,阻力损失小,有利于循环,只是远端散热器环路阻力大,可以通过提高末端散热器的高度来增大作用压力;采用水平双管式系统,供水干管位置可以设置很高,以提高系统循环的附加作用压力。农村居住建筑的建筑面积越来越大,多个房间内安装散热器,而实际上不能每个房间都住人,冬季为了节煤,不住人房间的散热器可以关闭,或者将阀门关小,减少进入该房间散热器的流量,其向房间的散热量只需保持房间较低温度,避免水管等冻裂即可。因此,对于单层农村居住建筑的热水供暖系统形式宜采用水平双管式。
对于二层及以上的农村居住建筑,上层房间的散热器安装高度与供暖炉高度差加大,上层散热器系统的循环作用压力远大于底层散热器系统的作用压力,如果采用垂直双管式或水平式系统就会造成上层和底层的系统流量不均,出现严重的垂直失调现象,即同一竖向房间冷热不均。垂直单管顺流式系统的作用压力是由同一立管上各层散热器组的安装高度共同确定的,整个环路的循环作用压力介于采用垂直双管系统中底层散热器环路的作用压力和顶层散热器环路的作用压力之间,可有效提高底层系统的作用压力,也缓解了上层作用压力过大的缺点。因此,二层及以上农村居住建筑的热水供暖系统形式宜采用垂直单管顺流式。
6.3.3 重力循环热水供暖系统的作用半径是指供暖炉出水总立管与最远端散热器立管之间水平管道长度。在考虑重力循环热水供暖系统供回水密度差产生的作用压力和水在管道中沿途冷却产生的附加压力共同作用的条件下,建立系统作用压力与阻力损失平衡关系,通过实际测试获得重力循环热水供暖系统中主干管的热水实际流速范围,最后计算得到系统的作用半径与供暖炉加热中心和散热器散热中心高度差的对应数值关系,见表5。
表5 重力循环热水供暖系统的作用半径(m)
| 供暖炉加热中心和散热器散热中心高度差 | 作用半径 | |
| 单层住房 | 0.2 | 3.0 |
| 0.3 | 5.5 | |
| 0.4 | 8.0 | |
| 0.5 | 11.0 | |
| 0.6 | 13.5 | |
| 0.7 | 16.0 | |
| 0.8 | 18.5 | |
| 0.9 | 21.5 | |
| 1.0 | 24.0 | |
| 二层住房 | 1.5 | 33.5 |
| 2.0 | 46.5 | |
| 2.5 | 59.5 | |
表5中的作用半径数值是在供水干管高于供暖炉加热中心1.5m的垂直高度下计算得到的。
6.3.4 本条文说明如下:
1 铁制炉具外形美观,体积小,由专业厂家成批制造,性能指标上都经过严格的标定验收,有一定的质量保障,一般是比较先进的;内部构造复杂,换热面积大,热效率高;炉体普遍采用蛭石粉、岩棉进行保温,散热损失小,炉胆内壁可挂耐火炉衬或烧制耐火材料;搬家移动拆装方便。
2 供暖炉有多种类型,用户应根据采用的燃料选择相应的供暖炉类型。采用蜂窝煤时,应根据使用要求选择单眼、双眼或多眼的蜂窝煤供暖炉;燃烧散煤时,由于煤的化学成分不同,燃烧特点各异,为适应不同煤种的需要,炉具尺寸,如炉膛深度和吊火高度,也要适当变化。一般来说,烟煤大烟大火,炉膛要浅,以利通风,炉膛深多在100mm~150mm之间。烟火室要大,吊火高度要高,以利于烟气形成涡流,在烟火室多停留一段时间,有利于烧火做饭;燃烧秸秆压块的用户,可选用生物质气化炉。
3 供暖炉通常设置在厨房或单独的锅炉间内,这些房间往往不需供暖或需热量很少,如果炉体的散热损失过大,有效送入供暖房间的热量就会减少,因此用户在选择供暖炉时,应选择保温好的炉子,提高供暖炉的实际输热效率。
4 烟煤大烟大火,烟气带走的热量较多,为了便于回收烟气余热,提高供暖系统的供热效率,燃烧烟煤的用户宜选择带排烟热回收装置的供暖炉或在供暖炉排烟道上设水烟囱或水烟脖等热回收装置。
5 供暖炉尽量布置在专门锅炉间内,供暖炉不能设置在卧室或与其相通的房间内,以免发生煤气中毒事件;供暖炉间宜设置在房屋的中间部位,避免系统的作用半径过大;为增加系统的重力循环作用压力,应尽可能加大散热器和供暖炉加热中心的高度差,即提升散热器和降低供暖炉的安装高度。散热器在室内的安装高度受到增强对流散热、美观等方面的要求限制,位置不能设置太高,通常散热器的底端距地面0.2m~0.5m,应尽可能降低供暖炉的安装高度,最好能低于室内地坪0.2m~0.5m;供暖炉尽可能靠近房屋的烟道,减少排烟长度和排烟阻力,利于燃烧。
6.3.5 在农村居住建筑中,常能见到因房间外窗距供暖炉太远或因外窗台较低而造成散热器中心低等原因,使系统的总压力难以克服循环的阻力而使水循环不能顺利进行,同时回水主干管也无法直接以向下的坡度连至供暖炉,即出现所谓回水“回不来”情况。在这种场合下,散热器不适合安装在外窗台下,可将散热器布置在内墙面上,距供暖炉近一些,管路短些,利于循环,同时因不受窗台高低的限制,可以适当抬高散热器中心,从而室内温度也得以提高。现在农村新建居住建筑的外窗基本都采用双玻中空玻璃窗,其保温性和严密性好,冷空气的相对渗透量少。散热器安装在内墙上所引起的室内温度不均匀的问题就不会很突出。
6.3.6 重力循环热水供暖系统的供水干管距供暖炉中心的垂直距离越大,附加压力也越大,越有利于循环。所以供水干管应设在室内顶棚下面尽量高的位置上,但系统中需要设置膨胀水箱和排气装置,供水干管的安装位置也会受到膨胀水箱和排气装置的限制,设计时,必须充分考虑三者的位置关系后,再确定供水干管的安装高度。
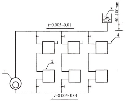
单层农村居住建筑的重力循环热水供暖系统中,膨胀水箱通常安装在供暖炉附近的回水总干管上,便于加水,而自动排气阀通常安装在供水干管末端。为了保证系统高点不出现负压,考虑压力波动,膨胀水箱底部的安装高度应高出供水总干管30mm~50mm。为了便于供水干管末端集气和排气,自动排气装置应高出系统的最高点,考虑到压力波动,供水干管末端的自动排气装置的安装点应高出膨胀水箱上端50mm~80mm,如图15所示。在供水干管、膨胀水箱和自动排气装置三者的安装高度关系中,应先确定自动排气装置的安装高度,再反推出膨胀水箱和供水干管的安装位置高度。
单层农村居住建筑室内吊顶后的净高约为2.7m,考虑膨胀水箱的安装高度,供水干管的安装标高宜为2.0m左右,散热器中心通常的安装高度为0.5m~0.7m,因次,提出供水干管宜高出散热器中心1.0m~1.5m安装。
图15 单层农村居住建筑供水干管的安装位置高度关系示意
1-供暖炉;2-散热器;3-膨胀水箱;4-自动排气阀;5-排气管
6.3.7 单层农村居住建筑的膨胀水箱宜连接到靠近供暖炉的总回水干管上。由于膨胀水箱需要经常加水,因此膨胀水箱与回水总干管的连接点宜靠近供暖炉,但膨胀水箱应与供暖炉保持一定的水平间距,防止膨胀水箱溢水时,水溅到供暖炉上,两者间水平距离应大于0.3m。系统不循环时,膨胀水箱中的水位即为系统水位高度,为了避免系统缺水,特别是供水干管空管,膨胀水箱的安装高度(即下端)应高出供水干管30mm~50mm,膨胀水箱中如果有一定的水位,供水干管就不会出现空管现象。
对于二层以上农村居住建筑,膨胀水箱不宜安装在设置于一层的供暖炉附近的回水干管上,宜安装在上层系统供水干管的末端,为了便于加水,膨胀水箱应设置在卫生间或其他辅助用房内,且膨胀水箱的安装位置应高出供水干管50mm~100mm,如图16所示。为便于系统排气,上层散热器上宜安装手动排气阀。
图16 二层以上农村居住建筑膨胀水箱的安装位置
1-供暖炉;2-散热器;3-膨胀水箱;4-散热器手动排气阀
![]() |
